Idles but throttle Doesnt Raise RPMs
Idles but throttle Doesnt Raise RPMs
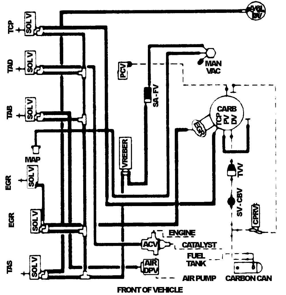
It seems to be another road block. does anyone have pictures of a 2.8 or something that would help me in guidance to what hoses are hocked up to what. I have what i think should be hooked up to the carb but it seems that there is no power to my engine. It Runs and will Idle. but it seems that engine only wants to idle and that even if i give it throttle it wont raise any RPMs. When i drive the thing it has to be very slowely (like 5 mph). It reverses well. but unless i hold down the gas peddle to the floor it will die when i change gears. full throttle just doesn't make any difference to if the engines raises in RPMs ...
Could this possibly be the Choke Thermostat. The coil inside of it keeps my butterfly(on carb) fully open at all times. Wont let it close on its own. Or could this possibly be a compression leak? Thanks you
Could this possibly be the Choke Thermostat. The coil inside of it keeps my butterfly(on carb) fully open at all times. Wont let it close on its own. Or could this possibly be a compression leak? Thanks you
Re: Idles but throttle Doesnt Raise RPMs
I'm talking out my ass here, but it seems like a accelerator pump issue. I've never had a carb'ed 2.8l. but I have carb'ed cars here, just my 2cents worth.
'87 bII d44,9",np435/205and a 302 ( on hold)
'73 vw bug
'70 vw camper van
'98 jeep tj
2010 ranger
'56 international s110
'73 vw bug
'70 vw camper van
'98 jeep tj
2010 ranger
'56 international s110
- tekatlarge
- Posts: 992
- Joined: Tue Jan 17, 2006 8:54 am
- Location: Coastal, Worshington
Re: Idles but throttle Doesnt Raise RPMs
Clem,
I didn't know you had automobiles there in that frosty snowy out in the middle of nowhere country. Ha Ha Ha Ha I could not resist!!!!

I didn't know you had automobiles there in that frosty snowy out in the middle of nowhere country. Ha Ha Ha Ha I could not resist!!!!
The Tek @ Large
Coastal,Worshington
Livin life on the dole on the Coast
Coastal,Worshington
Livin life on the dole on the Coast
Re: Idles but throttle Doesnt Raise RPMs
Looking at you making funnies.
When the snow goes away where does the white go? 
'87 bII d44,9",np435/205and a 302 ( on hold)
'73 vw bug
'70 vw camper van
'98 jeep tj
2010 ranger
'56 international s110
'73 vw bug
'70 vw camper van
'98 jeep tj
2010 ranger
'56 international s110
Re: Idles but throttle Doesnt Raise RPMs
Still need help with this... At a dead end Here. thanks
- Ranger Dave
- Posts: 1435
- Joined: Sun Oct 10, 2004 5:53 am
- Location: Newbury NH
- Contact:
- tekatlarge
- Posts: 992
- Joined: Tue Jan 17, 2006 8:54 am
- Location: Coastal, Worshington
Re: Idles but throttle Doesnt Raise RPMs
Clem,clem wrote:Looking at you making funnies.When the snow goes away where does the white go?
All of the white from the snow is divided into two columns. One column of white is spread about and mixed with coal dust to make the gray overcast skies we are famous for here in the great green forest. The other is used to color rice. You know that white is also used to make T shirts.....
The Tek @ Large
Coastal,Worshington
Livin life on the dole on the Coast
Coastal,Worshington
Livin life on the dole on the Coast
Re: Idles but throttle Doesnt Raise RPMs
youse guys are just too funny...........
I'll see if I can get some pics posted for you from my '84..
It really seems like your BII is sucking the gas from the tank rather than having it pumped.. Just for grins, remove the fuel line from the carb (rubber hose) and have someone crank the engine. You should see a LOT of fuel.. that'll get you started on troubleshooting this.
I'll see if I can get some pics posted for you from my '84..
It really seems like your BII is sucking the gas from the tank rather than having it pumped.. Just for grins, remove the fuel line from the carb (rubber hose) and have someone crank the engine. You should see a LOT of fuel.. that'll get you started on troubleshooting this.
Re: Idles but throttle Doesnt Raise RPMs
Thanks Pics would be great! was also told to find the spout connecter as a troubleshooting job. If i could get a pic of that that would be great too. ill give it a shot with the fuel line lol
Re: Idles but throttle Doesnt Raise RPMs
Sorry.. had to run to St Louis and didn't get the pics.. I will get them for you though..
What you are calling a "spout" connector is the connector that runs a single wire to the distributor. Normally it is "hung" on a plastic bracket on the firewall behind the distributor. The wire has to do with the electronic advance of your distributor as the older ones had a small vacuum line. When you adjust your timing you have to disconnect this wire via the connector. It's probably 3" long, as big around as your thumb and light grey.
After thinking about the vacuum advance, it would be possible that if it wasn't advancing your engine would not be able to rev...
What you are calling a "spout" connector is the connector that runs a single wire to the distributor. Normally it is "hung" on a plastic bracket on the firewall behind the distributor. The wire has to do with the electronic advance of your distributor as the older ones had a small vacuum line. When you adjust your timing you have to disconnect this wire via the connector. It's probably 3" long, as big around as your thumb and light grey.
After thinking about the vacuum advance, it would be possible that if it wasn't advancing your engine would not be able to rev...
Re: Idles but throttle Doesnt Raise RPMs
I took a look at the distributor and could find nothing like that around it. No wires lead to the distributor besides the sparkplug wires and the one sparkplug wire in the middle. Nothing is behind it on the firewall either. Sorry im sure its getting frustrating lol... I can put up pics of around the distributor.
- tekatlarge
- Posts: 992
- Joined: Tue Jan 17, 2006 8:54 am
- Location: Coastal, Worshington
Re: Idles but throttle Doesnt Raise RPMs
I just looked at some electrical info on a 2.8 Carburated engine. I am not super 2.8 familiar as I specialize in 2.9.
That said, after looking at he schematics it seems your ignition system is very similar to a duraspark. In your case what this means is there is NO Spout on your system. That is if you are running the TFI-1.
Ok after listening to the symptoms I am leaning like the rest at thinking you have a fuel delivery problem. before doing anything, open the choke plate and peer into the throat of the carburetor. Move the throttle to wide open and verify you get a good squirt of fuel into the venturi. If you get a good strong squirt of fuel you know fuel is at least getting to the carburetor but not to the main jets. Pull the fuel line off at the carburetor. Point the line into a can or container to catch the fuel. Pull the coil wire to reduce the risk of accidental fire!
Have someone spin the motor with the key or use a remote starter and crank for about 10 seconds. The fuel should squirt out with a good flow of fuel and pressure. If you don't have good pressure and volume then you need to look at the pump, Lines, and in tank screen or filter and the frame mounted filter also.
I noticed in one of your pics you have a fuel filter right at the carburetor. Unless you just changed that I would be highly suspicious of it being clogged. So now you have fuel and pressure up to the carburetor. Still won't run? Next you need to check the float and float level in the carburetor. You may also have significant corrosion in the fuel bowl of the carburetor causing the main jets to not get fuel. If the vehicle has ever run on alcohol mixed fuel "gasohol" the odds of it being white and fluffy with corrosion in there is very high.
So to sum it up do the following. Confirm fuel and pressure at the carburetor. Change carburetor inlet filter, remove the top of the carburetor and check float height and drop, pull the main jets (the ones in the bottom of the bowl and clean them.
DO NOT USE ANYTHING BUT COMPRESSED AIR to clear out the main jets.
Put the carburetor top back on
If you have spark anywhere close to where it should be you should be able to start and rev the engine.
If it doesn't start you may have a problem with the pick up or the TFI module in the dist.
Have Fun,
That said, after looking at he schematics it seems your ignition system is very similar to a duraspark. In your case what this means is there is NO Spout on your system. That is if you are running the TFI-1.
Ok after listening to the symptoms I am leaning like the rest at thinking you have a fuel delivery problem. before doing anything, open the choke plate and peer into the throat of the carburetor. Move the throttle to wide open and verify you get a good squirt of fuel into the venturi. If you get a good strong squirt of fuel you know fuel is at least getting to the carburetor but not to the main jets. Pull the fuel line off at the carburetor. Point the line into a can or container to catch the fuel. Pull the coil wire to reduce the risk of accidental fire!
Have someone spin the motor with the key or use a remote starter and crank for about 10 seconds. The fuel should squirt out with a good flow of fuel and pressure. If you don't have good pressure and volume then you need to look at the pump, Lines, and in tank screen or filter and the frame mounted filter also.
I noticed in one of your pics you have a fuel filter right at the carburetor. Unless you just changed that I would be highly suspicious of it being clogged. So now you have fuel and pressure up to the carburetor. Still won't run? Next you need to check the float and float level in the carburetor. You may also have significant corrosion in the fuel bowl of the carburetor causing the main jets to not get fuel. If the vehicle has ever run on alcohol mixed fuel "gasohol" the odds of it being white and fluffy with corrosion in there is very high.
So to sum it up do the following. Confirm fuel and pressure at the carburetor. Change carburetor inlet filter, remove the top of the carburetor and check float height and drop, pull the main jets (the ones in the bottom of the bowl and clean them.
DO NOT USE ANYTHING BUT COMPRESSED AIR to clear out the main jets.
Put the carburetor top back on
If you have spark anywhere close to where it should be you should be able to start and rev the engine.
If it doesn't start you may have a problem with the pick up or the TFI module in the dist.
Have Fun,
The Tek @ Large
Coastal,Worshington
Livin life on the dole on the Coast
Coastal,Worshington
Livin life on the dole on the Coast
- tekatlarge
- Posts: 992
- Joined: Tue Jan 17, 2006 8:54 am
- Location: Coastal, Worshington
Re: Idles but throttle Doesnt Raise RPMs
I just had another thought! here click this link or copy paste and it will take you to the carburetor exploded diagrams and adjustments. This should show you and tell you how to do all of the adjustments on your carb.
http://www.autozone.com/autozone/repair ... 5280078006
BTW: this really isn't smoke and mirrors or rocket science. If you are careful and follow all the steps listed you should have no problems. This is well within the scope of a handyman and it can be done with everyday tools.
http://www.autozone.com/autozone/repair ... 5280078006
BTW: this really isn't smoke and mirrors or rocket science. If you are careful and follow all the steps listed you should have no problems. This is well within the scope of a handyman and it can be done with everyday tools.
The Tek @ Large
Coastal,Worshington
Livin life on the dole on the Coast
Coastal,Worshington
Livin life on the dole on the Coast
- Ranger Dave
- Posts: 1435
- Joined: Sun Oct 10, 2004 5:53 am
- Location: Newbury NH
- Contact:
Re: Idles but throttle Doesnt Raise RPMs
maybe the converter is plugged up???
- Ranger Dave
- Posts: 1435
- Joined: Sun Oct 10, 2004 5:53 am
- Location: Newbury NH
- Contact:
Re: Idles but throttle Doesnt Raise RPMs
2.8 vacuuum dia.